• Добро пожаловать на Черная дыра.
 

Фазная клемма.

Автор Бродяга, 25.12.2009 23:16:40

« назад - далее »

0 Пользователи и 1 гость просматривают эту тему.

OlegN

а 110 -220 в  сейчас не актуально..... всё равно сначала в DC - потом преобразователь по ВЧ (это - уж я к компьютерам и к телевизорам  да и много бытовухи так ) просто кто--то-то говорил- DC-DC - лучше КПД.....ой-ли....посчитайте- при 5 вольтах - стандартный диод 0.7 вольта забирает какой кпд?радиатор ставим.... ну ладно ...уговорили - диоды Шоттки поставим..0.2 В....ну ..ладно...кулер при больших токах...а задумывались -нафига такие дикие напруги в стране на ЛЭП? за мегавольт уже ..и притом - давно.....кпд блин.....закон Ома - пока не отменили

OlegN

а насчёт 110-220 - главное,что-бы китайцы в первичную цепь конденсаторов на 16 вольт не напихали....было дело....рвануло....хорошо так..с белым дымком...причём - неоднократно..устал бороться..

m-s Gelezniak

Цитировать
Цитировать
ЦитироватьБл....Никогда земляной провод не был нулём!!!!!!!!!!!!!!!!!!!!!!!! ушёл....а то до греха доведёте... :evil:
Олег меньше эмоций. Изначально речь шла о 4 жильном, силовом  кабеле и разнице в сечении нулевого провода относительно фазных в нем. В воздушных линиях 380в (3 фазы) присутствует 4 (нулевой) провод, на исправной линии он должен быть заземлён на каждом столбе. При отводе (разводке) потребителям 220в (1 фаза) используется этот "0" и одна из фаз. Это простой пример который легко проверить на практике. А тот "бардак" который бывает на предприятия мне известен.
Да еще те ньюансы которые возникают при семмисторном (теристорном) управлением нагрузкой (мощностью этой нагрузки) мне тоже знакомы.
"Г-ну с синим крестиком" не лень стало погуглить. ;)
 Интересно только, что делать, если столбов-то нет вообще, потому что кабель-то зарыт. ;)

 А если пятипроводная схема используется? ;)
Когда я это сдавал Гугля ещё небыло :lol:
А на ЛЕП три или шесть :lol: к чему бы это :lol:  :lol:  :lol: (громоотводы не считаю :lol: )
Задача: перед вами пятиконтактная, клемная колодка (немаркированная (О ужос  :shock: ) определите где что (фазы, ноль, земля)
Шли бы Вы все на Марс, что ли...

OlegN

когда кабель зарыт.... проблем - не меньше.....влага...утечки...коррозия

OlegN

тут правда ещё проблема есть.....по схеме Агента транс ....висит на столбе....могут съегожить :D

m-s Gelezniak

Дошли до точки. ОТКУДА БЕРЁТСЯ "0" В РОЗЕТКЕ!!! :shock:  :?
Шли бы Вы все на Марс, что ли...

OlegN

ну- енто просто...берёте индикаторную отвёртку....фазы - вычисляете.... а ноль-земля- вольтметром- по перекосу..хотя- Вольтметром желательно постоянно пользоваться(Осцилографы- громозки...да и не всегда желательны..- но лучше- не придумали)

m-s Gelezniak

Цитироватьтут правда ещё проблема есть.....по схеме Агента транс ....висит на столбе....могут съегожить :D
И к тому столбу приходят ТРИ провода А отходят два или четыре.
в общем сплошное надувательство :(  :wink:  :lol:
Шли бы Вы все на Марс, что ли...

m-s Gelezniak

Цитироватьну- енто просто...берёте индикаторную отвёртку....фазы - вычисляете.... а ноль-земля- вольтметром- по перекосу..хотя- Вольтметром желательно постоянно пользоваться(Осцилографы- громозки...да и не всегда желательны..- но лучше- не придумали)
Это пусть наше ЧЮДО зачёт здает.
Шли бы Вы все на Марс, что ли...

OlegN

да неее... по той схеме- нулевой- просто как шнурок используется - НО - на Автоматику завязан ...Блокировка...

vitkisa

ЦитироватьДошли до точки. ОТКУДА БЕРЁТСЯ "0" В РОЗЕТКЕ!!! :shock:  :?
Это у кого как. Я его в проводе со столба отрезал, часный дом, часто бывает перекос 0. И тяну со столба только фазу. А 0 от заземления. Нет 0 - нет проблем с перекосом 0 :) .
Да, я не патриот, хотя и пью!

OlegN

опять ноль задели! :D  да ни-откуда он не берётся ...он есть- и усё....со щитка приходит..... есть 3 фазы - и ноль ...а заземлять.....если умеете

OlegN

опять 25.......0 стараются объединить с землёй...не во всех почвах получается..технология Заземления...та ещё.....рыть ямы.....штыри вкапывать ....муторно- вот и бывает от батарей заземляются..

OlegN

http://el-line.ru/articles_kontur_zaz.shtml   просто- когда мне говорят про контур заземления - я бешусь....!!!

Agent

Цитировать
Цитироватьтут правда ещё проблема есть.....по схеме Агента транс ....висит на столбе....могут съегожить :D
И к тому столбу приходят ТРИ провода А отходят два или четыре.
в общем сплошное надувательство :(  :wink:  :lol:

Подходит трехфазный ток (три провода) на 7-33 киловольта. Если ничего эдакого в доме не нужно (три фазы, высоковольтная зарядка для электромобиля и тд), то отходит однофазный с такого вот трансформатора. Извиняюсь за корявый рисунок.


ЗЫ: по поводу сьегоживания - там киловольты, поэтому всех номинантов на премию Дарвина еще при Тесле поубивало.

Гусев_А

Хотел вначале ответить на ваши вопросы, но в подавляющей массе, это бредни, вот только сами подумайте: " замена проводов и изоляторов на ЛЭП 220 кВ на протяжении 20 км, без отключения".

Вы знаете, что ни кто не выдаст наряд-допуск на работу, где есть хотя бы малейшая опасность для жизни и здоровья рабочих. Это подсудное дело.

И еще это с низу кажется, что провода, это тоненькие ниточки и не сколько не весят. Кто из вас на высоте затягивал и крепил хотя бы голые провода? А вот мы перед самыми морозами (успели) СИП 4*120 пять пролетов по 50-55 метров в стесненной территории предприятия смонтировать, так вот у нас было два крана и одна вышка.

Есть работы, которые приходится выполнять под напряжением, Но эти работы обставлены такими мерами безопасности, включая выравнивание потенциалов.... Но чтоб меняли провода под напряжением да еще свыше 1000 В, это пожалуйста не на вверенной мне территории. Но всегда на первую голову, это безопасность.

Бродяга

Цитировать...
ЗЫ: по поводу сьегоживания - там киловольты, поэтому всех номинантов на премию Дарвина еще при Тесле поубивало.
Явно недооценивается изобретательность русского народа. ;)

 Кабель 3 киловольта премило воруют. :)
[color=#000000:7a9ea26d56]"В тот день, когда задрожат стерегущие дом, и согнутся мужи силы; и перестанут молоть мелющие, потому что их немного осталось; и помрачатся смотрящие в окно;"[/color]

Бродяга

Цитироватьну- енто просто...берёте индикаторную отвёртку....фазы - вычисляете.... а ноль-земля- вольтметром- по перекосу..хотя- Вольтметром желательно постоянно пользоваться(Осцилографы- громозки...да и не всегда желательны..- но лучше- не придумали)
Индикаторная отвёртка может очень мило светиться и на земле. ;)
[color=#000000:7a9ea26d56]"В тот день, когда задрожат стерегущие дом, и согнутся мужи силы; и перестанут молоть мелющие, потому что их немного осталось; и помрачатся смотрящие в окно;"[/color]

Agent

Цитировать
Цитировать...
ЗЫ: по поводу сьегоживания - там киловольты, поэтому всех номинантов на премию Дарвина еще при Тесле поубивало.
Явно недооценивается изобретательность русского народа. ;)

 Кабель 3 киловольта премило воруют. :)
Тут тот кто может такое сделать, так же может пойти в электрики и получать свои 40-60 штук в год плюс бенефиты.
Явно недооценивается трудолюбивость американского народа.

m-s Gelezniak

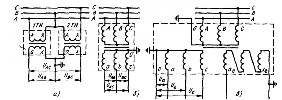
Тёхфазные т-ры схемы включений:




И далее:
http://www.forca.ru/knigi/gost/transformatory-silovye-gost-11677-85-12.html
Шли бы Вы все на Марс, что ли...